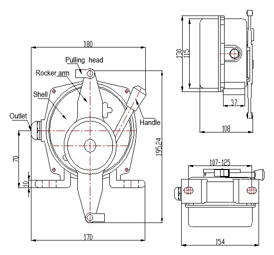
Pull Cord Switch
Working principle:
When an emergency occurs at the belt transport site, pull the wirerope tied to the lifting lug to make the slider and switch in themachine function and send out a stop signal.Release the wire ropeand press the reset bar before the reset.
Structural characteristics:
The switch uses a high quality trip switch, using a long mission. Good sealing, dust-proof, shock - proof and corrosion - proof.
The chassis is made of cast aluminum, with light weight and high hardness
Installation and use:
The switch is balanced on the fixing bracket of the frame;
Tie the wire rope to the pull rings at each end, not exceedig 30 metres on each side (to be shortened if there is a gradient);
The rope pressure should be suitable to ensure the reliable reset of the switch;
The pulling rope is arranged in the parallel direction of the tape, and a lifting ring is added every 3 meters;
Technical indicators:
| Item | Parameters |
| Model | Pull cord switch |
| Ambient temperature | -30℃-+60℃ |
| Relative humidity | ≥85% |
| Angle of action | 30° |
| Limit Angle | 60° |
| Action force | 10(KG) |
| Number of contacts | 1NO1NC / 2NO2NC |
| Contact Capacity | AC/DC 24-380V |
| Reliability | >10^6 times |
| Protection | IP65 |


- ← Previous:No More
- Manual Automatic Integrated Pull Cord Switch :Next →
Zhejiang Weikesen Power Technology Co.,Ltd.
